محرك بنزين 120 سم مكعب مع بداية كهربائية إيفي للطائرات بدون طيار
1. محرك البنزين 120ccm مع إيفي كهربائي يبدأ للطائرات بدون طيار مدعوم بالكامل ويمكنه تمديد وقت الرحلة بشكل فعال.
2. محرك البنزين 120 سم مكعب مع بداية كهربائية إيفي للطائرات بدون طيار مصنوع من مواد قوية ومتينة.
3. محرك البنزين 120ccm مع إيفي كهربائي يبدأ ل الطائرات بدون طيار له هيكل خاص ويوفر الوقود.
- معلومات
مقدمة لمحرك بنزين 120 سم مكعب مع بداية كهربائية إيفي للطائرات بدون طيار:
محرك B2G120 إيفي هو محرك بنزين للطيران من الدرجة الصناعية. بالمقارنة مع محرك المكربن التقليدي، فإن وحدة التحكم المركزية (وحدة نقدية أوروبية) تتحكم في المحرك لمعايرة كمية حقن الوقود تلقائيًا تحت ظروف العمل والارتفاعات المختلفة، وذلك لتعزيز حقن الوقود. يقلل الاحتراق الكامل من تلوث غاز الذيل ورواسب الكربون. يتميز محرك إيفي بميزات الأداء العالي مثل الطاقة العالية، وتوفير الوقود، وانخفاض مستوى الضجيج، وليس من السهل التوقف، والإشعال لمرة واحدة. وفي الوقت نفسه، يمكن لوحدة التحكم الإلكترونية ضبط زاوية الإشعال وحجم حقن الوقود والتحكم في الهواء الخامل تلقائيًا وفقًا لدرجة حرارة المحرك وإشارات مستشعر الارتفاع.

مزايا المنتج لمحرك البنزين 120 سم مكعب مع بداية كهربائية إيفي للطائرات بدون طيار:
1. يحتوي محرك البنزين سعة 120 سم مكعب المزود بميزة التشغيل الكهربائي إيفي للطائرات بدون طيار على أسطوانتين متقابلتين أفقيًا.
2. يمكن لمحرك البنزين 120ccm مع التشغيل الكهربائي إيفي للطائرات بدون طيار تحقيق التحكم الإلكتروني في الحلقة المغلقة.
3. محرك البنزين 120ccm مع إيفي كهربائي يبدأ للطائرات بدون طيار هو مستشعر سرعة مزدوج زائد عن الحاجة.
4. يعد محرك البنزين 120ccm مع إيفي كهربائي يبدأ للطائرات بدون طيار مكونًا مهمًا للطائرة بدون طيار ذات المحرك النفاث.
5. تستهلك الطائرات بدون طيار التي تعمل بالطاقة النفاثة وقودًا أقل وتلبي احتياجات أوقات الطيران الطويلة.
المعلمات التقنية الرئيسية لمحرك البنزين سعة 120 سم مكعب مع بداية كهربائية إيفي للطائرات بدون طيار:
رقم المنتج | B2G120 |
الإزاحة | 120 سم مكعب |
السرعة البطيئة | 1800 دورة في الدقيقة |
نطاق الدوران | 1800 دورة في الدقيقة ~ 8500 دورة في الدقيقة |
درجة حرارة التشغيل | -30 درجة مئوية ~ +55 درجة مئوية |
استخدام الارتفاع | ≥4000 م |
الطاقة القصوى | 12 حصان |
طريقة التبريد | تبريد الهواء |
وزن نظام إيفي
| وحدة نقدية أوروبية: 169 جرام |
مضخة الزيت: 213 جرام | |
الحزام: 166 جرام | |
سي دي آي: 159 جرام | |
وزن المحرك | المحرك: 3215 جرام |
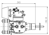
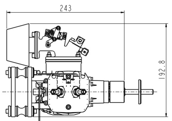
مقاس | 243*263.6*193 مللي متر |
الوقود / مواد التشحيم | زيت محرك اصطناعي بالكامل فوق 92#/2T |
نماذج قابلة للتطبيق | جناح ثابت، إقلاع عمودي وهبوط جناح ثابت |
نسبة التشحيم | 1:40 |
مجداف الموصى بها | 24*18، 26*14، 26*12، 28*12 |
رسم البعد الهندسي لمحرك البنزين سعة 120 سم مكعب مع بداية كهربائية إيفي للطائرات بدون طيار:


شنيانغ لينغهانغ لعلوم الطيران والتكنولوجيا المحدودة ("LHTechUAV") في 20 مارس 2018 في شارع سانهاو، منطقة خه بينغ، مدينة شنيانغ، مقاطعة لياونينغ. يقع في أحد الشوارع التجارية العشرة الأولى في الصين، وهو مركز توزيع لمنتجات الكمبيوتر وتكنولوجيا المعلومات في مقاطعة لياونينغ والمنطقة الشمالية الشرقية بأكملها. تركز الشركة على تطبيق الطائرات بدون طيار والمعدات الجوية بدون طيار والطائرات الرياضية الخفيفة وغيرها من المركبات الجوية على ارتفاعات منخفضة ومكوناتها، والبحث والتطوير في المواد المركبة والإنتاج والمبيعات لمعدات الطيران العامة والمعدات الجوية العسكرية والمدنية بدون طيار لتوفير واحدة -إيقاف البحث والتطوير والتصميم والتصنيع والدعم الفني وما إلى ذلك لتوفير مجموعة كاملة من حلول النظام.

إذا كنت مهتمًا بمنتجاتنا، فلا تتردد في مراسلتنا عبر البريد الإلكتروني في أي وقت. سوف نقدم لك أفضل خدمة.
يمكنك أيضًا الاطلاع على المنتجات:محرك بدون طيار متعدد الدوار بدون فرشاة,60A-12S الحاكم الإلكتروني,80A-12S الحاكم الإلكتروني.